Microcontroller Hardware Interfacing with Peripheral Devices
Advertisement
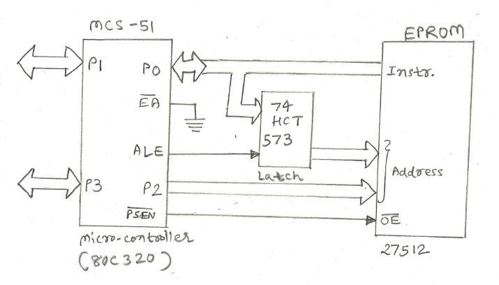
Microcontroller Interfacing with Program Memory

Figure shows interface of microcontroller 80c320 with program memory.
The (EA) pin is either connected to Vcc or Vss based on whether the internal ROM or an external ROM is used to access the code.
If the pin is connected to Vss, then all program or code fetches are directed to the external ROM connected.
The signal is used as a read strobe for the external ROM. It’s not activated for internal code fetches.
Microcontroller Interfacing with Data Memory

Figure shows the microcontroller interface with external RAM (DS1230Y).
Here, Port0 acts as a multiplexed address/data bus to the RAM.
The three lines of Port2 are used to page the RAM.
The CPU generates read and write signals required to access the external RAM.
Advertisement
RF